Hendo Industry - Manufacturer of Spring Balancer, Air Tool Balancers, Push Pull Trolley and Air Balance Hoist

Instruction
Manual Instruction
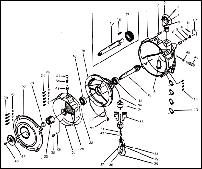
EXPLODED VIEW OF SPRING BALANCER
SPARE PARTS LIST FOR HSB-SERIES SPRING BALANCERS
| Index Nos. |
Name of Parts | Parts
No. |
|||||||
| HSB.9 | HSB.15 | HSB.22 | HSB.30 | HSB.40 | HSB.50 | HSB.60 | HSB.70 | ||
| 1 | Case | 9001 | 9001 | 22001 | 22001 | 40001 | 40001 | 40001 | 40001 |
| Suspension | 9021 | 9021 | 22025 | 22025 | 22025 | 22025 | 22025 | 22025 | |
| 2 | Suspension Hook | - | - | - | - | - | - | - | - |
| 3 | Latch | - | - | - | - | - | - | - | - |
| 4 | Latch Spring | - | - | - | - | - | - | - | - |
| 5 | Round Rivet | - | - | - | - | - | - | - | - |
| 6 | Suspension
Hook Shaft |
9019 | 9019 | 22023 | 22023 | 22023 | 22023 | 22023 | 22023 |
| 7 | Suspension
Hook Rivet |
RRC525 | RRC525 | RRC732 | RRC732 | RRC732 | RRC732 | RRC732 | RRC732 |
| 8 | Stopper Pin | 9018 | 9018 | 22023 | 22023 | 40022 | 40022 | 40022 | 40022 |
| 9 | Stopper Spring | 9016 | 9016 | 22019 | 22019 | 22019 | 22019 | 22019 | 22019 |
| 10 | Stopper Pin Holder | 9015 | 9015 | 22017 | 22017 | 22017 | 22017 | 22017 | 22017 |
| 11 | Stop Ring Pin | PPS2.535 | PPS2.535 | PPS340 | PPS340 | PPS340 | PPS340 | PPS340 | PPS340 |
| 12 | Stopper Lever | 9048 | 9048 | 22054 | 22054 | 22054 | 22054 | 22054 | 22054 |
| 13 | Safety Stop Arm | 9014 | 9014 | 22016 | 22016 | 22016 | 22016 | 22016 | 22016 |
| 14 | Hex Cap Screw | SHC512 | SHC512 | SHC612 | SHC612 | SHC612 | SHC612 | SHC612 | SHC612 |
| 15 | Spindle | 9009 | 9009 | 22010 | 22010 | 40010 | 40010 | 60010 | 60010 |
| 16 | Key | Unnecessary | 40012 | 40012 | 40012 | 40012 | |||
| 17 | Worm Wheel | 40011 | 40011 | 40011 | 40011 | ||||
| 18 | Ball Bearing | Unnecessary |
BB6004 | BB6004 | BB6004 | BB6004 | BB6004 | BB6004 | |
| 19 | Drum | 9003 | 9003 | 22003 | 22003 | 22003 | 22003 | 22003 | 22003 |
| Self-Contained Spring | 9008 | 15008 | 22008 | 30008 | 40008 | 50008 | 60008 | 70008 | |
| 20 | Spiral Spring | - | - | - | - | - | - | - | - |
| 21 | Spring Case | - | - | - | - | - | - | - | - |
| 22 | Spring Case Cover | - | - | - | - | - | - | - | - |
| 23 | Bushing | 9011 | 9011 | 22009 | 22009 | 40009 | 40009 | 60009 | 60009 |
| 24 | Hex Bolt | SH510 | SH510 | SH610 | SH610 | SH610 | SH610 | SH610 | SH610 |
| 25 | Hex Bolt | Unnecessary |
SH68 | SH62 | SH62 | SH62 | SH62 | SH68 | |
| 26 | Spring Washer | WS52 | WS52 | WS62 | WS62 | WS62 | WS62 | WS62 | WS62 |
| 27 | Casing Cover | 9002 | 9002 | 22002 | 22002 | 40002 | 40002 | 60002 | 60002 |
| 28 | Casing Cover Bushing | 9013 | 9013 | 22015 | 22015 | 22015 | 22015 | 22015 | 22015 |
| 29 | Hex Bolt | SH520 | SH520 | SH620 | SH620 | SH640 | SH640 | SH640 | SH640 |
| Cable Complete. | 9027 | 9027 | 22031 | 22031 | 22031 | 22031 | 22031 | 22031 | |
| 30 | Cable | - | - | - | - | - | - | - | - |
| 31 | Washer | - | - | - | - | - | - | - | - |
| 32 | Lock(A) | - | - | - | - | - | - | - | - |
| 33 | Lock(B) | - | - | - | - | - | - | - | - |
| 34 | Rubber Shock | 9036 | 9036 | 22040 | 22040 | 22040 | 22040 | 22040 | 22040 |
| Load Hook Complete | 9029 | 9029 | 22033 | 22033 | 22033 | 22033 | 22033 | 22033 | |
| 35 | Load Hook | - | - | - | - | - | - | - | - |
| 36 | Load Hook Latch | - | - | - | - | - | - | - | - |
| 37 | Load Hook Latch Spring | - | - | - | - | - | - | - | - |
| 38 | Round Rivet (B) | - | - | - | - | - | - | - | - |
| 39 | Load Hook Shaft | 9037 | 9037 | 22041 | 22041 | 22041 | 22041 | 22041 | 22041 |
| 40 | Load Hook Holder | 9033 | 9033 | 22037 | 22037 | 22037 | 22037 | 22037 | 22037 |
| 41 | Hex Nut | NL4 | NL4 | NL6 | NL6 | NL6 | NL6 | NL6 | NL6 |
| 42 | Hex Bolt | SH414 | SH414 | SH516 | SH516 | SH516 | SH516 | SH516 | SH516 |
| 43 | Hex Nut | NL4 | NL4 | NL5 | NL5 | NL5 | NL5 | NL5 | NL5 |
| 44 | Cable Set-Bolt | PH1/8 | PH1/8 | PH1/4 | PH1/4 | PH1/4 | PH1/4 | PH1/4 | PH1/4 |
| 45 | Thrust Washer | 9012 | 9012 | 9012 | 9012 | 40014 | 40014 | 40014 | 40014 |
| 46 | Worm | 9010 | 9010 | 9010 | 9010 | 40013 | 40013 | 40013 | 40013 |
| 47 | Gauge | 9039 | 15039 | 22043 | 30043 | 40043 | 50043 | 60043 | 70043 |
| 48 | Gauge Screw | 9038 | 9038 | 9038 | 9038 | 9038 | 9038 | 9038 | 9038 |
| 49 | Safety Device Pin | 9017 | 9017 | 22021 | 22021 | 40021 | 40021 | 40021 | 40021 |
| 50 | Safety Device Spring | 9016 | 9016 | 22019 | 22019 | 40020 | 40020 | 40020 | 40020 |
| 51 | Safety Device Spring Screw | 9015 | 9015 | 22017 | 22017 | 40018 | 40018 | 40018 | 40018 |
| 52 | Adjustable Cable Stop | 9-15 | 9-15 | 22-70 | 22-70 | 22-70 | 22-70 | 22-70 | 22-70 |
| 53 | Adjustable Cable Stop Taper But | Hex19 | Hex19 | Hex22 | Hex22 | Hex22 | Hex22 | Hex22 | Hex22 |


