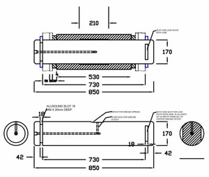
Load Pins
Load Pins are exclusively designed Load Cell. These are tailor made to suit the site conditions. Load Pins are mounted in place of the simple pins located in the hub of Wheels or pulleye. Its special design makes it very easy to install the Load Pins based Weighing systems. These are generally mounted in the equiliser pulley assembly of crane, simple pullesy or in the Crane Trolley wheels.Since the load pins are completely covered and are installed in the crane's topmost areas it's not directly exposed to intense heat radiations as in case of ladle handling cranes. This gives a great benefits as the life of Load Pins is substantially more as compared to the conventional Crane Weighers.
Features :
- → Very Sturdy Design
- → Easy to Install
- → Maintenance free design
- → Protection : IP 65/67
- → Available in custom made design
- → Comes with Wired/Wireless Display
- → Weighment data canj be integrated with SAp/ERp through wireless data communication modules.
- → Customized software solution.
Specification
- → Capacity : 1MT to 200Mt
- → Protection : IP68
- → Safe overload : 200(of rated Capacity)
- → Ultimate Overload : 500% (of rated Capacity)
- → Max Temperature range: 100Deg C.
- → Max. Humidity : 100 RH
- → Non Linearity(FSO) :<+/-0.025%
- → Hysterisis(FSO) : <+/-0.2%
- → Rated Excitation : 5 Volt
- → Accuracy : 0.25% of Rated output




