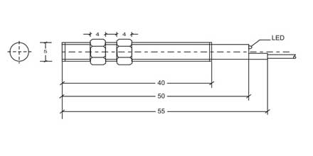
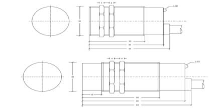
Cylindrical


Technical Specifications
| TYPE | INDUCTIVE |
| SIZE | M-5/M-6 |
| Type | 3 – WIRE DC |
| F | |
| Sensing Distance (mm) | 1 |
| Object(mm) | 5x5x1 / 6x6x1 |
| Logics | PNP / NPN |
| Frequency | 1Khz |
| Contact | NO / NC |
| Supply Voltage | 10-30 VDC |
| Load Current | 100mA |
| Display | LED |
| Circuit Protection | Reverse Polarity |
| Protection | Ip67 |
| Housing Material | Brass Nickel Plated |
| Wire(sq. mm) | 3C x 0.20 |
Ordering Code
UT I-05 01 N O (F)
| UT | UNITECH |
| I | Inductive |
| 05 | Diameter of Switch |
| 01 | Sensing Distance |
| N | NPN Logic |
| O | Normally Open Contact |
| (F) | Flush Type |
| P = PNP Logic | N = NPN Logic |
| O = Normally Open Contact | C = Normally Close Contact |
| 0.8 = Sensing Distance | |
| (F) = Flush Type |


Technical Specifications
| TYPE | INDUCTIVE |
| SIZE | M-8 |
| Type | 3 – WIRE DC |
| F / NF | |
| Sensing Distance (mm) | 1/2 |
| Object(mm) | 8x8x1 |
| Logics | PNP / NPN |
| Frequency | 1Khz |
| Contact | NO / NC |
| Supply Voltage | 10-30 VDC |
| Load Current | 100mA |
| Display | LED |
| Circuit Protection | Reverse Polarity / Short Circuit |
| Protection | Ip67 |
| Housing Material | Brass Nickel Plated |
| Wire(sq. mm) | 3C x 0.20 |
Ordering Code
UT I-08 01 N O (F)
| UT | UNITECH |
| I | Inductive |
| 08 | Diameter of Switch |
| 01 | Sensing Distance |
| N | NPN Logic |
| O | Normally Open Contact |
| (F) | Flush Type |
| P = PNP Logic | N = NPN Logic |
| O = Normally Open Contact | C = Normally Close Contact |
| 01 = Sensing Distance | 02 = Sensing Distance |
| (F) = Flush Type | (NF) = Non-Flush Type |


Technical Specifications
| TYPE | INDUCTIVE | INDUCTIVE | INDUCTIVE |
| SIZE | M-12 | M-12 | M-12 |
| Type | 3 – WIRE DC | 2 – WIRE AC | 2 – WIRE DC |
| F / NF | F / NF | NF | |
| Sensing Distance (mm) | 2/4 | 2/4 | 4 |
| Object(mm) | 12x12x1 | 12x12x1 | 12x12x1 |
| Logic | PNP / NPN | ||
| Frequency | 1KHz | 500Hz | 50Hz |
| Contact | NO/NC/1NO+NC | NO/NC | NO |
| Supply Voltage | 10-30 VDC | 50-250 VAC | 24/48 VDC |
| Load Current | 300mA | 300mA | 100mA |
| Display | LED | LED | LED |
| Circuit Protection | Reverse Polarity / Short Circuit | Surge Supressor | |
| Protection | IP67 | IP67 | IP67 |
| Housing Material | Brass Nickel Plated | Brass Nickel Plated | Brass Nickel Plated |
| Wire(sq. mm) | 3C x 0.20 | 2C x 0.20 | 2C x 0.20 |
Ordering Code
UT I-12 02 N O (F)
| UT | UNITECH |
| I | Inductive |
| 12 | Diameter of Switch |
| 02 | Sensing Distance |
| N | NPN Logic |
| O | Normally Open Contact |
| (F) | Flush Type |
| P = PNP Logic | N = NPN Logic |
| O = Normally Open Contact | C = Normally Close Contact |
| 02 = Sensing Distance | 04 = Sensing Distance |
| (F) = Flush Type | (NF) = Non-Flush Type |


Technical Specifications
| TYPE | INDUCTIVE | INDUCTIVE | INDUCTIVE |
| SIZE | M-18 | M-18 | M-18 |
| Type | 3 – WIRE DC | 2 – WIRE AC | 2 – WIRE DC |
| F / NF | F / NF | NF | |
| Sensing Distance (mm) | 5/8 | 5/8 | 8 |
| Object(mm) | 18x18x1 | 18x18x1 | 18x18x1 |
| Logic | PNP / NPN | ||
| Frequency | 1KHz | 500Hz | 50Hz |
| Contact | NO/NC/1NO+NC | NO/NC | NO |
| Supply Voltage | 10-30 VDC | 50-250 VAC | 24/48 VDC |
| Load Current | 300mA | 300mA | 100mA |
| Display | LED | LED | LED |
| Circuit Protection | Short Circuit | Surge Supressor | |
| Protection | R/P | IP67 | IP67 |
| Housing Material | Brass Nickel Plated | Brass Nickel Plated | Brass Nickel Plated |
| Wire(sq. mm) | 3C x 0.20 | 2C x 0.20 | 2C x 0.20 |
Ordering Code
UT I-18 05 N O (F)
| UT | UNITECH |
| I | Inductive |
| 18 | Diameter of Switch |
| 05 | Sensing Distance |
| N | NPN Logic |
| O | Normally Open Contact |
| (F) | Flush Type |
| P = PNP Logic | N = NPN Logic |
| O = Normally Open Contact | C = Normally Close Contact |
| 05 = Sensing Distance | 08 = Sensing Distance |
| (F) = Flush Type | (NF) = Non-Flush Type |


Technical Specifications
| TYPE | INDUCTIVE | INDUCTIVE | INDUCTIVE |
| SIZE | M-30 | M-30 | M-30 |
| Type | 3 – WIRE DC | 2 – WIRE AC | 2 – WIRE DC |
| F / NF | F / NF | F / NF | |
| Sensing Distance (mm) | 10/15 | 10/15 | 15 |
| Object(mm) | 30X30X1 | 30X30X1 | 30X30X1 |
| Logic | PNP / NPN | ||
| Frequency | 1KHz | 500Hz | 50Hz |
| Contact | NO/NC/1NO+NC | NO/NC | NO |
| Supply Voltage | 10-30 VDC | 50-250 VAC | 24/48 VDC |
| Load Current | 300mA | 300mA | 100mA |
| Display | LED | LED | LED |
| Circuit Protection | Reverse Polarity / Short Circuit | Surge Supressor | |
| Protection | IP67 | IP67 | IP67 |
| Housing Material | Brass Nickel Plated | Brass Nickel Plated | Brass Nickel Plated |
| Wire(sq. mm) | 3C x 0.20 | 2C x 0.20 | 2C x 0.20 |
Ordering Code
UT I-30 10 N O (F)
| UT | UNITECH |
| I | Inductive |
| 30 | Diameter of Switch |
| 10 | Sensing Distance |
| N | NPN Logic |
| O | Normally Open Contact |
| (F) | Flush Type |
| P = PNP Logic | N = NPN Logic |
| O = Normally Open Contact | C = Normally Close Contact |
| 10 = Sensing Distance | 15 = Sensing Distance |
| (F) = Flush Type | (NF) = Non-Flush Type |

Technical Specifications
| TYPE | INDUCTIVE | INDUCTIVE |
| SIZE | M-50 | M-50 |
| Type | 3 – WIRE DC | 2 – WIRE AC |
| F / NF | F / NF | |
| Sensing Distance (mm) | 20/25 | 20/25 |
| Object(mm) | 50X50X1 | 50X50X1 |
| Logic | PNP / NPN | |
| Frequency | 1KHz | 500Hz |
| Contact | NO/NC/1NO+NC | NO/NC |
| Supply Voltage | 10-30 VDC | 50-250 VAC |
| Load Current | 300mA | 300mA |
| Display | LED | LED |
| Circuit Protection | Reverse Polarity / Short Circuit | Surge Supressor |
| Protection | IP67 | IP67 |
| Housing Material | Brass Nickel Plated | Brass Nickel Plated |
| Wire(sq. mm) | 3C x 0.20 | 2C x 0.20 |
Ordering Code
UT I-50 20 N O (F)
| UT | UNITECH |
| I | Inductive |
| 50 | Diameter of Switch |
| 20 | Sensing Distance |
| N | NPN Logic |
| O | Normally Open Contact |
| (F) | Flush Type |
| P = PNP Logic | N = NPN Logic |
| O = Normally Open Contact | C = Normally Close Contact |
| 20 = Sensing Distance | 25 = Sensing Distance |
| (F) = Flush Type | (NF) = Non-Flush Type |
